1st CD-Edition (Sammlung)
| Sammlung: 1st CD-Edition (Sammlung) | |
|---|---|
| Firma | Rainbow Arts |
| Verleger | Rainbow Arts |
| Release | 1989 |
| Plattform(en) | C64 |
| Genre | Spiele |
| Medien | CD |
| Sprache | |
| Preis | ca. ?? DM; 29,99 £ |
| Information | Spiele und Computermusik, plus Datasetten-Adapter für CD-Spieler |
Die Computerspielesammlung 1st CD-Edition der Spielefirma Rainbow Arts mit dem Untertitel "10 Spiele-Klassiker auf CD für den Commodore 64" wurde im Jahre 1989 auf CD veröffentlicht. Der damalige Verkaufpreis war ca. ?? DM. Neben den 10 Spielen sind 10 Computermusiken, zusammen gepresst auf 7 Audiotracks, von Chris Hülsbeck enthalten - alle sechs Stücke aus Hollywood Poker Pro, sowie das Intro aus Starball (jeweils in der Amiga-Version), und die Titelthemen aus To be on Top, Danger Freak und Katakis.
Inhalt[Bearbeiten | Quelltext bearbeiten]
Folgende Spiele sind in der Sammlung enthalten:
- Tracks: / Spiel (Anmerkung):
- 1. Startmenü
- 2. David's Midnight Magic (Broderbund, Flipper)
- 3. Dropzone (U.S.Gold, Action)
- 4. Fist II (Melbourne House,)
- 5. Impossible Mission (Epyx, Action)
- 6. Jinks-Intro (Rainbow Arts,)
- 7. Jinks-Spiel
- 8. Leaderboard Golf (Access, Golfsimulation)
- 9. Loderunner (Broderbund, Jump&Run)
- 10. M.U.L.E.-Spielmenü (Electronic Arts,)
- 11. M.U.L.E.-Spiel
- 12. Mission Elevator (Softgold, Action)
- 13. Solomon's Key (U.S. Gold,)
- 14.-20. Musikstücke von Chris Hülsbeck (drei Audiotracks teilen sich jeweils zwei Musikstücke)
- 21.-33. Wiederholung der Tracks 1 bis 13
Laut Verpackung ist die CD "Lauffähig auf jedem C64 in Verbindung mit einem handelsüblichen, normalen CD-Player".
Gewarnt wird allerdings vor möglicherweise verpolten Lautsprecherausgängen, dann funktioniert der Adapter nicht.
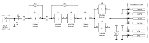
Der CD liegt ein Adapter bei, der in den Kassettenport des C64 eingesteckt wird und an dessen anderen Ende sich ein Line In-Cinch-Eingang befindet. Das Cinch Kabel wird an dem Line Out-Ausgang des CD-Players angeschlossen. Laut Lotek64 #17 soll es auch mit Hilfe eines Klinkenstecker funktionieren.
Weiterhin liegt der CD ein 80seitiges Handbuch (deutsch / englisch) bei.
Nach dem Einlegen der CD, muss zuerst über LOAD das Startmenü geladen werden und darüber dann das entsprechende Spiel.
Die Ladezeit beträgt ca. 20 bis 50 Sekunden.
Die enthaltene Version von Leaderboard hat ihren ursprünglichen Kopierschutz intakt, funktioniert also nur bei eingestecktem Dongle/Adapter.
![]() |
Hardware[Bearbeiten | Quelltext bearbeiten]

- Stückliste zum Selbstbau
- Fünf Widerstände:
- 2× 6,8 KΩ
- 1× 27 KΩ
- 2× 68 KΩ
- Ein Keramik-Kondensator:
- 1x 10 nF
- Ein Hex-Inverter (falls gewünscht mit schmalem 14-Pin-Dip-Sockel):
- 1× CMOS IC 4069UBCP
- Ein Tapeport-Platinenstecker:
- 1× 12-Pin mit Lötfahnen.
- Eine rechtwinklige Cinch- oder Klinkenbuchse für Lötmontage.
- Eine entsprechend vorbereitete Platine oder eine Lochraster-Platine.
Bezugsquelle des Adapters[Bearbeiten | Quelltext bearbeiten]
Unter dem Namen MP32C64 gibt es auf Ebay einen Bausatz für ca. 15€ zzgl. Versand. Das MP32C64 hat zusätzlich eine Duo-LED und einen zusätzlichen Jumper zur Signalinvertierung.
Referenzen[Bearbeiten | Quelltext bearbeiten]
- Testbericht in 64'er Ausgabe 4/89
Weblinks[Bearbeiten | Quelltext bearbeiten]
- ZZap64 Testbericht

- 1st CD-Edition (Sammlung) auf MobyGames.com

- Kultboy.com - Testbericht Nr. 9235






